L'Espace Forums de "La Traction Universelle"

Nous sommes le Sam 14 Fév, 2026- 05:54

Heures au format UTC + 1 heure [ Heure d’été ]




Poster un nouveau sujet Répondre au sujet  [ 4 messages ] 
Auteur Message
 Sujet du message: branchement sonde température de chez Renel
MessagePosté: Mer 10 Jan, 2024- 12:27 
Hors ligne
Membre TU

Inscription: Jeu 27 Jan, 2022- 18:28
Messages: 9
Localisation: Rhône
Bonjour à tous, et meilleurs voeux pour la nouvelle année, à bord de votre véhicule favori!

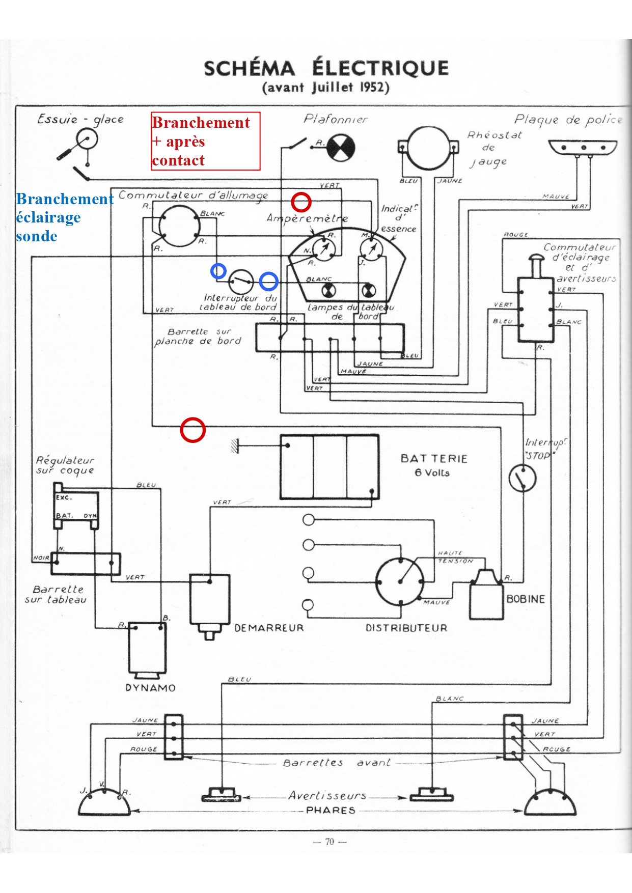
Je souhaite installer une sonde de température. J'ai vu un post à ce sujet, mais je ne suis pas toujours sur des branchements électriques (pas très doué dans ce domaine... :? ). Ma traction est une B de 1951. Le faisceau, en bon état, est d'origine. Sur le schéma ci-joint, je voyais des possibilités pour le branchement du + après contact, et pour l'éclairage de la sonde (en le couplant avecl'éclairage du tableau de bord)

Est ce c'est correct?

Merci pour vos infos!

Bertrand


Fichiers joints:
schéma10-electrique.jpg
schéma10-electrique.jpg [ 877.64 Kio | Vu 211 fois ]

_________________
Membre TU Rhodanie
Une 11 B 1951 malle plate et une CX Athena 1982
Haut
 Profil Envoyer un e-mail  
 
 Sujet du message: Re: branchement sonde température de chez Renel
MessagePosté: Mer 10 Jan, 2024- 15:04 
Hors ligne
Membre TU

Inscription: Ven 26 Oct, 2007- 11:25
Messages: 65
Bertrand
Oui c'est bien cela, le plus après contact et pour l'éclairage on peut aussi se brancher sur les veilleuses.
Bon courage
Bruno


Haut
 Profil  
 
 Sujet du message: Re: branchement sonde température de chez Renel
MessagePosté: Mer 10 Jan, 2024- 17:31 
Hors ligne
Avatar de l’utilisateur

Inscription: Jeu 28 Sep, 2017- 09:07
Messages: 1109
Attention les veilleuses s´éteignent quand on passe en mode code/ phare, il est plus logique et plus simple de connecter les accesoires sur la barette sous le tableau.

_________________
11 B 1957+ boite 4id ROUEN

" faites que le reve devore votre vie ; afin que la vie ne devore pas votre reve...... "


Haut
 Profil Envoyer un e-mail  
 
 Sujet du message: Re: branchement sonde température de chez Renel
MessagePosté: Jeu 11 Jan, 2024- 17:22 
Hors ligne
Membre TU

Inscription: Jeu 27 Jan, 2022- 18:28
Messages: 9
Localisation: Rhône
Bonjour,

Merci pour vos réponses!

Amicalement,

Bertrand

_________________
Membre TU Rhodanie
Une 11 B 1951 malle plate et une CX Athena 1982


Haut
 Profil Envoyer un e-mail  
 
Afficher les messages postés depuis:  Trier par  
Poster un nouveau sujet Répondre au sujet  [ 4 messages ] 

Heures au format UTC + 1 heure [ Heure d’été ]


Qui est en ligne

Utilisateurs parcourant ce forum: Aucun utilisateur enregistré et 22 invités


Vous ne pouvez pas poster de nouveaux sujets
Vous ne pouvez pas répondre aux sujets
Vous ne pouvez pas éditer vos messages
Vous ne pouvez pas supprimer vos messages
Vous ne pouvez pas joindre des fichiers

Rechercher:
Aller à:  
--/
--
Propulse par phpBB et MuL pour "La Traction Universelle" © depuis le 23 octobre 2007; 2000, 2002, 2005, 2007, 2008, 2014 phpBB Group
Traduction par: phpBB-fr.com